鋁型材模型
Profile Model
Profile Model
聯系APAS / Contact us
- 地址:天津市西青經濟技術開發區賽達國際工業城A3-2.
- 郵箱:lxc@apas.com.cn
- 電話:022-87920088
- 傳真:請聯系網絡管理員
- 郵編:300385
- 咨詢熱線:13702119190(24小時服務熱線)
鋁型材模型
/ Profile Model

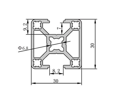
3030-2N180鋁型材3d模型
產品描述 / Name
3030-2N180鋁型材是一款標準框架型材,特殊結構設計適用于特殊表面需求的工業框架結構,例如:工作臺、物料/工具車、車間儲物柜框架等,設計師可以下載3d模型進行框架結構設計;
022-87920099
可以根據需求進行設計加工,提供上門安裝服務;可以根據特殊需求進行鋁型材開模定制。
* 免費提供工業鋁型材選型手冊 →點擊咨詢
內容來源:http://www.hnwcls.com 作者:武將 發布日期:2019年09月02日 13時53分 閱讀次數:2431 次
| 3030-2N180鋁型材三維模型介紹: |
| 2N180鋁型材結構特點在于鋁型材180度對面結構平面設計,表面無凹槽,用于框架中間結構的組裝,整體效果平整美觀;2N180鋁型材結構設計是根據特殊框架需求而設計開發的鋁型材,屬于30系列標準框架型材,需要利用30系列鋁型材專用緊固連接件方可實現框架快速組裝; |
![]() ![]()
|
|
|
|
3030-2N180鋁型材規格參數
|
|||||||
|
規格型號
|
材質
|
型材重量
|
慣性矩
|
慣性矩
|
彎矩
|
彎矩
|
訂貨編號
|
|
profile
|
material
|
weight
|
Ix(cm^4)
|
Iy(cm^4)
|
Wx(cm3)
|
Wy(cm3)
|
order NO.
|
|
30×30-2N180
|
鋁AL(6063-T5)
|
1.105kg/m
|
3.29
|
3.82
|
3.29
|
3.82
|
P8-3030-2N180
|
聯系APAS/ Contact us
天津艾普斯工業鋁型材股份有限公司
聯系電話:022-87920088
企業傳真:(避免惡意廣告)請聯系該企業網絡管理員
服務熱線:13702119190 (24小時服務熱線)
Q Q:534973906
企業郵箱: lxc@apas.com.cn
企業地址:天津市西青經濟技術開發區賽達國際工業城A3-2
聯系電話:022-87920088
企業傳真:(避免惡意廣告)請聯系該企業網絡管理員
服務熱線:13702119190 (24小時服務熱線)
Q Q:534973906
企業郵箱: lxc@apas.com.cn
企業地址:天津市西青經濟技術開發區賽達國際工業城A3-2
采購意向留言:* 為必填















QQ咨詢
電話聯系
聯系電話

在線留言
樣冊下載
