鋁型材配件
Product accessories
Product accessories
聯系APAS / Contact us
- 地址:天津市西青經濟技術開發區賽達國際工業城A3-2.
- 郵箱:lxc@apas.com.cn
- 電話:022-87920088
- 傳真:請聯系網絡管理員
- 郵編:300385
- 咨詢熱線:13702119190(24小時服務熱線)
鋁型材支撐配件 / Support fittings
產品名稱 / Name
橡膠蹄腳
產品描述 / Describe
橡膠蹄腳是一種應用于鋁型材支架或采用鋁型材搭建的設備框架底部支撐配件,起固定支承以及防震作用,具有多種規格型號,分別適用于不同承載能力的框架結構,設計師可以根據鋁型材框架規格以及物理強度進行選型;
022-87920088
可以根據需求進行設計加工,提供上門安裝服務;可以根據特殊需求進行鋁型材開模定制。
* 免費提供工業鋁型材選型手冊 →點擊咨詢
|
|
| ? |
| 橡膠蹄腳分為多種規格型號,在選用時需要考慮工業鋁型材規格、型材中心螺紋孔加工參數以及鋁型材框架承載需要等諸多知識點,如有技術問題請咨詢相關技術人員; |
| ? |
![]() ![]()
|
|
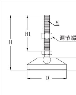
(鋁型材框架/支架用橡膠蹄腳二維參數)
|
| ? |
|
H(mm)
|
H1(mm)
|
H2(mm)
|
H3(mm)
|
D(mm)
|
M(mm)
|
最大載重
|
材質
|
訂貨編號
|
|
83.5
|
50
|
21
|
△
|
φ50
|
8
|
500kg
|
蹄腳-加強尼龍 螺紋桿-碳鋼 |
CE-FT8×50-φ50
|
|
115
|
80
|
21
|
△
|
φ50
|
8
|
500kg
|
CE-FT8×80-φ50
|
|
|
83.5
|
50
|
21
|
△
|
φ50
|
10
|
600kg
|
CE-FT10×50-φ50
|
|
|
131
|
100
|
△
|
17
|
φ80
|
12
|
1200kg
|
CE-FT12×100-φ80
|
|
|
131
|
100
|
△
|
17
|
φ80
|
16
|
1600kg
|
CE-FT16×100-φ80
|
|
|
143
|
100
|
△
|
29
|
φ100
|
12
|
1200kg
|
CE-FT12×100-φ100
|
|
|
150
|
100
|
△
|
29
|
φ100
|
16
|
1600kg
|
CE-FT16×100-φ100
|
|
|
190
|
140
|
△
|
29
|
φ100
|
16
|
1600kg
|
CE-FT16×140-φ100
|
|
|
137
|
100
|
|
|
φ60
|
12
|
|
CE-FT12×100-φ60
|
| ? |
|
橡膠蹄腳是各種規格工業鋁型材支架以及設備框架通用的支撐形配件,具有支撐防震作用,同時可以根據需求調節蹄腳高度;橡膠蹄腳分為多種規格,分別適用于不同規格工業鋁型材以及不同承載能力的設備框架; |
聯系APAS/ Contact us
天津艾普斯工業鋁型材股份有限公司
聯系電話:022-87920088
企業傳真:(避免惡意廣告)請聯系該企業網絡管理員
服務熱線:13702119190 (24小時服務熱線)
Q Q:534973906
企業郵箱: lxc@apas.com.cn
企業地址:天津市西青經濟技術開發區賽達國際工業城A3-2
聯系電話:022-87920088
企業傳真:(避免惡意廣告)請聯系該企業網絡管理員
服務熱線:13702119190 (24小時服務熱線)
Q Q:534973906
企業郵箱: lxc@apas.com.cn
企業地址:天津市西青經濟技術開發區賽達國際工業城A3-2
采購意向留言:* 為必填














QQ咨詢
電話聯系
聯系電話

在線留言
樣冊下載
