鋁型材模型
Profile Model
Profile Model
聯系APAS / Contact us
- 地址:天津市西青經濟技術開發區賽達國際工業城A3-2.
- 郵箱:lxc@apas.com.cn
- 電話:022-87920088
- 傳真:請聯系網絡管理員
- 郵編:300385
- 咨詢熱線:13702119190(24小時服務熱線)
鋁型材模型
/ Profile Model

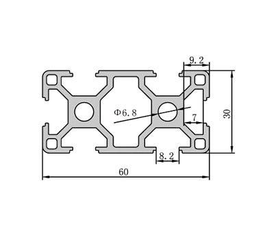
3060鋁型材3d模型
產品描述 / Name
3060鋁型材屬于高強度、高性能框架型材,適用于高承載結構框架的設計組裝,設計師可以下載鋁型材模型進行框架結構的設計構想,并進行加工組裝;
022-87920099
可以根據需求進行設計加工,提供上門安裝服務;可以根據特殊需求進行鋁型材開模定制。
* 免費提供工業鋁型材選型手冊 →點擊咨詢
內容來源:http://www.hnwcls.com 作者:武將 發布日期:2019年09月03日 11時27分 閱讀次數:3273 次
| 3060鋁型材三維模型介紹: |
| 3060鋁型材是一款高強度、高性能標準規格框架型材,主要應用于高承載工業框架結構的組裝搭建;3060鋁型材屬于6063-T5系列歐標型材,材質為鋁鎂合金,表面經過陽極氧化處理工藝,抗氧化膜層厚度12μ以上,具有很高的抗氧化能力,特別適用于工業框架的加工制作; |
![]() ![]()
|
|
3030鋁型材規格參數
|
|||||||
|
規格型號
|
材質
|
型材重量
|
慣性矩
|
慣性矩
|
彎矩
|
彎矩
|
訂貨編號
|
|
profile
|
material
|
weight
|
Ix(cm^4)
|
Iy(cm^4)
|
Wx(cm3)
|
Wy(cm3)
|
order NO.
|
|
30×60
|
鋁AL(6063-T5)
|
2.09kg/m
|
7.03
|
26.72
|
4.70
|
8.91
|
P8-3060
|
聯系APAS/ Contact us
天津艾普斯工業鋁型材股份有限公司
聯系電話:022-87920088
企業傳真:(避免惡意廣告)請聯系該企業網絡管理員
服務熱線:13702119190 (24小時服務熱線)
Q Q:534973906
企業郵箱: lxc@apas.com.cn
企業地址:天津市西青經濟技術開發區賽達國際工業城A3-2
聯系電話:022-87920088
企業傳真:(避免惡意廣告)請聯系該企業網絡管理員
服務熱線:13702119190 (24小時服務熱線)
Q Q:534973906
企業郵箱: lxc@apas.com.cn
企業地址:天津市西青經濟技術開發區賽達國際工業城A3-2
采購意向留言:* 為必填











.jpg)

.jpg)

QQ咨詢
電話聯系
聯系電話

在線留言
樣冊下載
